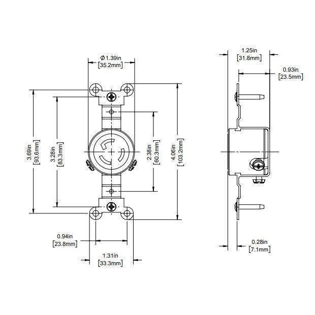
Single Product Review: Leviton wall outlets, twist lock plugsDiscussion: For this project I chose the orange wall plate and outlets because I wanted them to stand out. Which ended up not really making a difference after I added the APC distribution box, which completely covers the 1-gang outlet. For the outside, I went with a NEMA L5-15P twist lock outlet and plug.Project Summary: I have a temporary solar/PV battery backup project in the garage, and I wanted to use the generated solar power inside the house. Previously has an extension cord running through the door to the garage, but that's not safe for a lot of reasons, so I wired up a couple of electrical boxes, and wired in a cut-out switch. The inside connections are a standard wall outlet, and the outside connection to the inverter is via a twist lock plug, for extra security.Project Recommendations:1) I looked at a lot of generator inlet receptacles, but most were 20-30 amp, and I don't need that large (standard 15A), so I used a NEMA locking L5-15P instead.2) As this was going to be a twist lock plug, I wanted to attach the electrical box to a stud if at all possible (vs. using the electrical box which clamps onto dry-wall). The Madison Electric Products boxes were perfect. I used a single gang on the inside box, and for the outside, I used a 2-gang so that I could also fit a cut-off switch. I mounted the 2-gang box rotated 90 degrees to the normal orientation for two reasons: a) I could screw it directly into the horitzontal stud, and b) I could mount the plug on the bottom, and the switch on the top.3) When it comes to electrical parts, I generally go with Leviton, which I have had great success with. The only item I got that was a different brand was the right angle plug (which Leviton also offers, I just didn't see it when placing the order, otherwise I would have ordered that one instead).Conclusion: All the products listed in the review, and used for this project I am rating 5-stars.Related Products:ELECTRICAL WIRING (INSIDE)Madison Electric Products MSB1G One Gang Device Box ~ $2https://www.LeanLight.com/gp/product/B00H8NUVQKLeviton 8300-R 20-Amp, 125-Volt, Extra Heavy Duty Hospital Grade ~ $9https://www.LeanLight.com/gp/product/B002090BBCLeviton 80703-ORG 1-Gang Duplex Device ~ $2https://www.LeanLight.com/gp/product/B000U39XFUAPC Wall Outlet Multi Plug Extender, P6W, (6) AC Multi Plug Outlet ~ $11https://www.LeanLight.com/gp/product/B0046BGUWGELECTRICAL WIRING (OUTSIDE)Madison Electric Products MSB2G Two Gang ~ $4https://www.LeanLight.com/gp/product/B00H8NUVROLeviton 4710 15 Amp, 125 Volt, L5-15R, 2P, 3W, Single Locking Receptacle ~ $13https://www.LeanLight.com/gp/product/B000LNKO1GLeviton 1221-2W 20-Amp, 120/277-Volt, Toggle Single-Pole AC Quiet Switch ~ $6https://www.LeanLight.com/gp/product/B002MPPTACLeviton 84007 2-Gang 1-Toggle 1-Single 1.406-Inch Diameter ~ $8https://www.LeanLight.com/gp/product/B000U3G2AEELECTRICAL WIRING (CABLES/CORDS/PLUGS)Right angled Nema L5-15P 15 Amp 125V 2 Pole 3 Wire ~ $16https://www.LeanLight.com/gp/product/B087FFK2LKLeviton 515CV Commercial Grade Straight Blade (FEMALE) ~ $6https://www.LeanLight.com/gp/product/B000H5WHMWLeviton 5256-VY 15 Amp, 125 Volt, Industrial Grade (MALE) ~ $9https://www.LeanLight.com/gp/product/B00009W3A8